ようこそ ゲスト
ログイン 新規会員登録 0

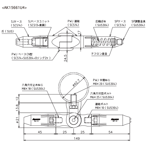
コーナー連結ターミナルW (パイプ支柱用)

¥10,340 (税込)

コーナー連結ターミナルW (パイプ支柱用)

¥10,340 (税込)

セルフシリーズ[AT-S]の構成パーツ(パイプ支柱用)です。

※材質:SPターミナル部=SCS14(SUS316相当)、圧縮ばね/ばね調整金具=SUS304
SJターミナル部=SCS14(SUS316相当)、SJベース=SCS13+黄銅 爪=特殊ステンレス
KWJベースCN型=特殊ステンレス+SUS304+ゴム

この製品はオンラインショップでは取り扱っていません。ご購入希望の際は、お問い合わせフォームから見積り依頼等ください。

型番 価格(税込) size
AK15661U3 ¥10,340 角パイプ用3mm
AK15661U4 ¥10,340 丸パイプ用3mm
価格(税込) size 製品図 (*)角パイプ用 (*)丸パイプ用 サイズ(ワイヤー径)(mm)
¥10,340 角パイプ用3mm * 3
¥10,340 丸パイプ用3mm * 3

関連製品