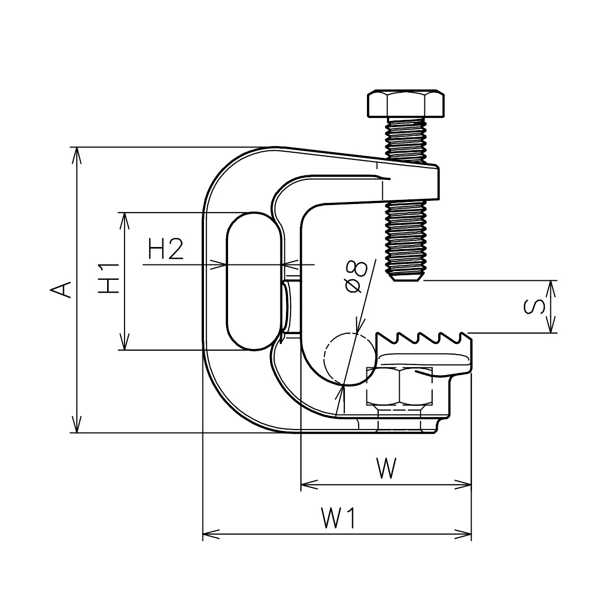
AKクリップ
AKクリップ
¥605(税込)~
金具と金具の中間の荷重がかかりにくい箇所に、振れ止めなどに使用できます。
※使用荷重は、表の締付トルクでボルトを固定した場合の値になります。
※横方向に荷重をかけないでください。(但し、表の横方向使用荷重範囲内であれば使用可能です。)
※ボルトが緩む恐れがありますので、状況に応じてロックタイト等の緩み防止剤を塗布してください。
金具と金具の中間の荷重がかかりにくい箇所に、振れ止めなどに使用できます。
※使用荷重は、表の締付トルクでボルトを固定した場合の値になります。
※横方向に荷重をかけないでください。(但し、表の横方向使用荷重範囲内であれば使用可能です。)
※ボルトが緩む恐れがありますので、状況に応じてロックタイト等の緩み防止剤を塗布してください。



